全球通检测
一站式服务,全球化认证
检测技术公共服务平台
中文
中文
English
首页
关于全球通
公司简介
公司资质
企业文化
实验室
安规实验室
电池实验室
无线射频实验室
汽车充电桩实验室
电磁兼容实验室
可靠性实验室
化学实验室
服务
行业领域
电子电气
环境可靠性
玩具及婴童用品
纺织品/鞋类及皮革
汽车材料及零部件
电池产品检测认证
照明灯具产品检测
涂料及包装材料检测
能效节能检测认证
新能源产品检测认证
产品主题
车载类产品
无线通讯类产品
照明灯具类产品
玩具类产品
医疗类产品
家用电器类产品
机械设备类产品
电源类产品
信息技术类产品
音视频类产品
服务类型
欧洲认证
美洲认证
亚洲认证
澳洲认证
中东认证
非洲认证
其他认证
英国 UKCA认证
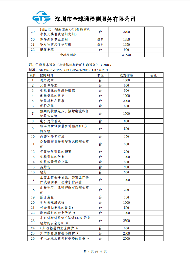
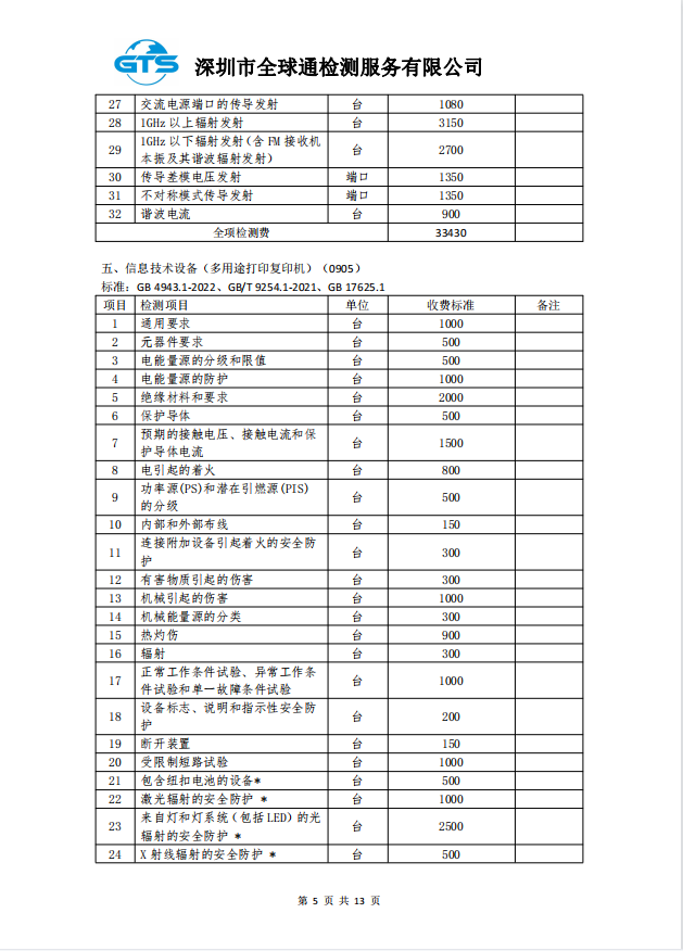
CCC检测项目收费公示
客户服务
报告查询
资讯
公司动态
行业资讯
应用
加入
联系
service
服务
当前位置:
首页
»
服务
»
服务类型
»
CCC检测项目收费公示
服务认证
SERVICE TYPE
CCC检测项目收费公示